
产品概述
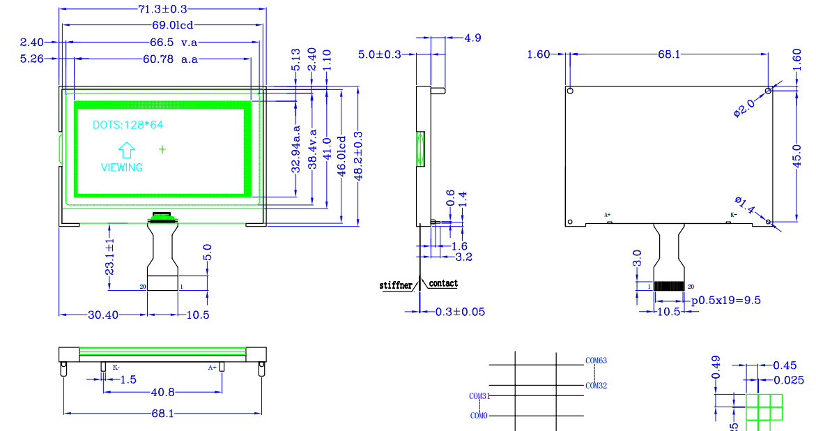
单色液晶屏WYM12864K55G是2.7寸128×64点阵点阵液晶屏,为标准工业液晶屏与工控液晶屏,采用FSTN显示模式与ST7567驱动芯片,搭载SPI/MCU双接口与FPC插接方案,注塑背光宽温稳定运行,适配仪器仪表、工控设备、智能终端等工业显示场景。
产品详情
这款工控液晶屏采用工业级工艺生产,注塑背光显示均匀清晰,20PinFPC插接装配便捷高效,SPI/MCU双接口兼容多种工业控制主板,接线调试简单省心。产品支持-20℃~70℃宽温工作,抗干扰性能优异,满足工业液晶屏严苛使用要求,作为高稳定性单色液晶屏与点阵液晶屏,可广泛用于电力仪表、消防安防、智能家电等终端,厂家直供支持定制化调整。
规格参数
产品型号:WYM12864K55G
点阵分辨率:128×64
屏幕英寸:2.7 寸
显示模式:FSTN
驱动芯片:ST7567
接口方式:SPI/MCU
连接方式:FPC 插接
Pin 针数:20
背光类型:注塑背光
工作温度:-20℃~70℃