
产品概述
液晶模组WYM12864G是2.4寸128×64高亮液晶屏,采用BLUE/YELLOW显示模式与ST7920驱动芯片,搭载SPI/MCU双接口带字库方案,宽温稳定运行,可适配户外设备、工业仪器、消防安防等显示场景。
产品详情
这款高亮液晶屏采用成熟封装工艺打造,20Pin接口连接牢固可靠,双接口兼容多种控制主板,集成调试高效便捷。产品支持-20℃~70℃宽温工作,抗干扰性能优异,满足户外与工业设备严苛使用要求,可广泛用于工业仪器、消防安防、医疗设备等终端设备,厂家直供支持定制化调整。
规格参数
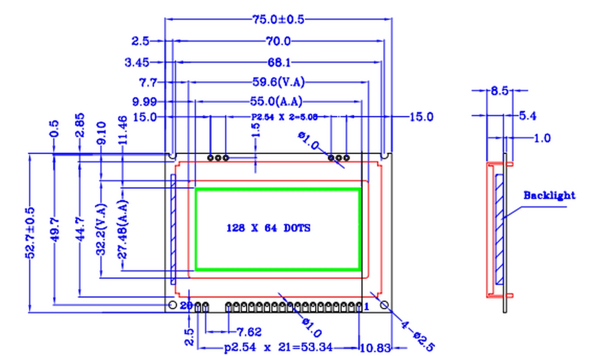
产品型号:WYM12864G
点阵分辨率:128×64
屏幕英寸:2.4 寸
显示模式:BLUE/YELLOW
驱动芯片:ST7920
接口方式:SPI/MCU
工艺类型:COB
Pin 针数:20
工作温度:-20℃~70℃