
产品概述
LCD液晶屏WYM12864I是2.7寸128×64工控液晶屏,采用BLUE显示模式与ST7920驱动芯片,搭载SPI/MCU双接口带字库方案,超宽温稳定运行,可适配消防安防、仪器仪表、电力仪表等显示场景。
产品详情
这款工控液晶屏采用COB工艺打造,20Pin接口连接牢固可靠,双接口兼容多种控制主板,集成调试高效便捷。产品支持-30℃~80℃超宽温工作,抗干扰性能优异,满足各类设备严苛使用要求,可广泛用于消防安防、仪器仪表、电力仪表等终端设备,厂家直供支持定制化调整。
规格参数
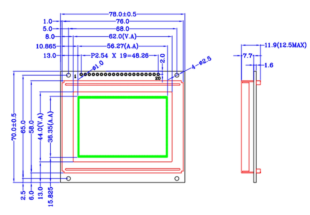
产品型号:WYM12864I
点阵分辨率:128×64
屏幕英寸:2.7 寸
显示模式:BLUE
驱动芯片:ST7920
接口方式:SPI/MCU
工艺类型:COB
Pin 针数:20
工作温度:-30℃~80℃