
产品概述
图形液晶模块WYM128128C是3.1寸128×128点阵工业液晶屏,归属于点阵液晶屏品类,核心适配工程机械、汽车行业的显示需求,采用COB工艺封装,宽温运行稳定、接口兼容度高,是工业单色显示场景的优质方案。
产品详情
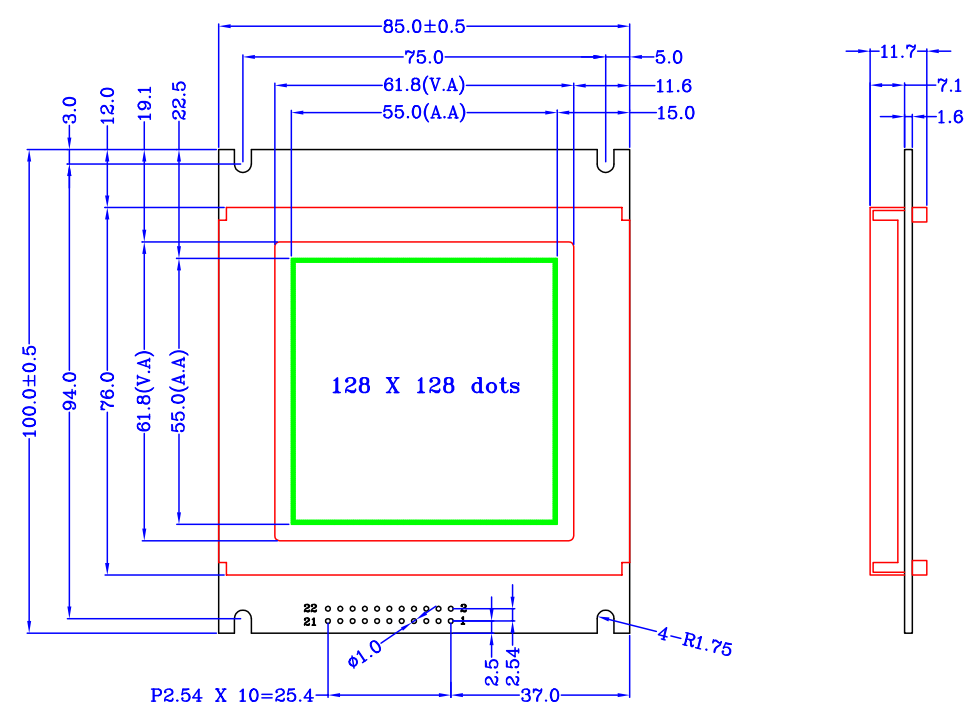
WYM128128C作为罗姆液晶的标准工业款图形液晶模块,搭载AIP31108驱动芯片,采用MCU单接口方式,可匹配工控设备、工程机械、汽车电子终端使用。这款黑白液晶屏采用COB封装工艺,工作温度覆盖-20℃~70℃,可长期稳定运行于工业复杂环境。产品隶属于液晶模块范畴,厂家直供可提供工业级定制服务,满足工程机械、汽车行业的专用显示需求。
规格参数
产品型号:WYM128128C
点阵分辨率:128×128
屏幕英寸:3.1 寸
显示模式:YELLOW
驱动芯片:AIP31108
接口方式:MCU
工艺类型:COB
Pin 数:22
工作温度:-20℃~70℃