网站首页
关于我们
公司简介
|
公司历程
|
企业资质
|
企业文化
|
产品中心
COG单色点阵屏
|
LCM单色液晶模块
|
字符液晶屏
|
TFT_LCD彩屏
|
PMOLED显示屏
|
原厂彩屏代理
|
定制段码屏
|
技术中心
专业资料
|
常见问题
|
产品特色
|
选型表下载
新闻动态
公司新闻
|
行业新闻
|
联系我们
产品中心
首页
>
产品中心
>
LCM单色液晶模块
<
>
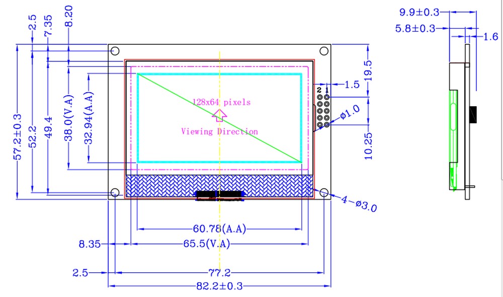
WYM12864K41
分辨率:
128*64
外形尺寸:
82.2*57.2*7.4
视窗尺寸:
65.5*38.0
AA尺寸:
60.78*32.94
LCD工艺:
COG
工作电压:
2.7V~3.3V
驱动芯片:
ST7565R
接口方式:
串口
工作温度:
-20℃~70℃
存储温度:
-30℃~80℃
文件下载
立即询价
尺寸
规格
■产品基本参数:
型 号:
WYM12864K41
点 阵 数:
128*64 dots
LCD外形尺寸:82.2*57.2*7.4
视窗大小(V.A):65.5*38
有效窗口大小(A.A):60.78*32.94
显示模式:STN,蓝膜,全透,负显(其他颜色请咨询)
视 角:
6:00
工作温度:-20℃~70℃
存储温度:-30℃~80℃
控 制 器:
ST7565R
接口方式:串口
电源VDD:
3.3V
售前客服:王经理
售前客服:石经理
技术支持:何经理
技术支持:李经理
微信客服