
产品概述
COG液晶屏WYM12864K13是1.9寸128×64单色液晶屏,属于工控液晶屏与仪表液晶屏,采用FSTN显示模式与ST7565R驱动芯片,搭载SPI/MCU双接口与COG工艺方案,宽温稳定运行,适配工控设备、仪表等显示场景。
产品详情
这款COG液晶屏采用COG工艺打造,18Pin接口连接牢固可靠,SPI/MCU双接口兼容多种控制主板,集成调试高效便捷。产品支持-20℃~70℃宽温工作,满足工控与仪表设备使用要求,可广泛用于工控设备、仪表终端,厂家直供支持定制化调整。
规格参数
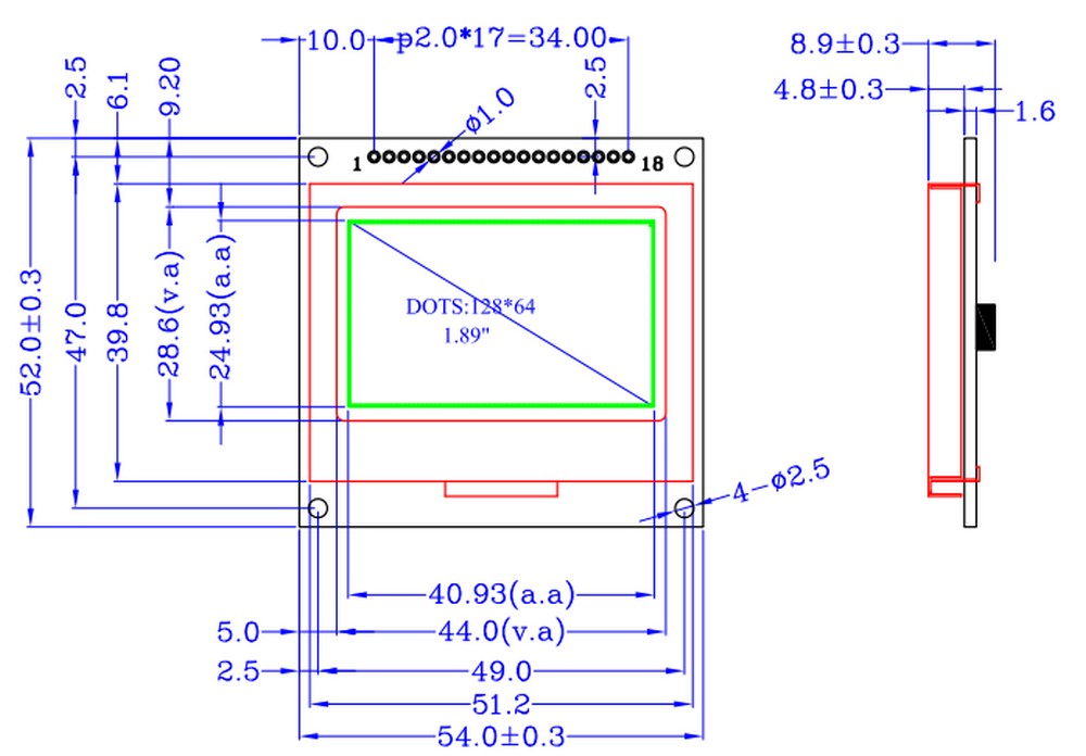
产品型号:WYM12864K13
点阵分辨率:128×64
屏幕英寸:1.9 寸
显示模式:FSTN
驱动芯片:ST7565R
接口方式:SPI/MCU
工艺类型:COG
Pin 数:18
工作温度:-20℃~70℃