网站首页
关于我们
公司简介
|
公司历程
|
企业资质
|
企业文化
|
产品中心
COG单色点阵屏
|
LCM单色液晶模块
|
字符液晶屏
|
TFT_LCD彩屏
|
PMOLED显示屏
|
原厂彩屏代理
|
定制段码屏
|
技术中心
专业资料
|
常见问题
|
产品特色
|
选型表下载
新闻动态
公司新闻
|
行业新闻
|
联系我们
产品中心
首页
>
产品中心
>
COG单色点阵屏
<
>
WYM12864K179G
分辨率:
128*64
外形尺寸:
51.0*38.0*7.0
视窗尺寸:
46.0*26.0
AA尺寸:
44.13*23.01
工作电压:
3.3V
驱动芯片:
ST7567
接口方式:
串口
背光类型:
塑胶LED
连接方式:
焊接
工作温度:
-20℃~70℃
文件下载
立即询价
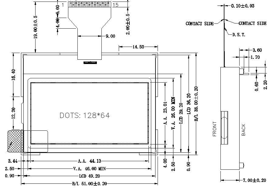
尺寸
规格
型 号:WYM12864K179G
点 阵 数:128*64 dots
LCD外形尺寸:51.0*38.0*7.0
视窗大小(V.A):46.0*26.0
有效窗口大小(A.A):44.13*23.01
驱动方式:1/64 duty 1/9 bias
显示模式:FSTN,半透,正显(其他颜色请咨询)
视 角:6:00
工作温度:-20℃~70℃
存储温度:-30℃~80℃
控 制 器: ST7567
接口方式:串口
背光类型: 注塑背光
售前客服:王经理
售前客服:石经理
技术支持:何经理
技术支持:李经理
微信客服