
产品概述
点阵液晶模块WYM2004A是20×4字符型工业显示模块,归属于黑白液晶屏品类,核心适配智能家电、通讯设备行业的显示需求,采用COB工艺封装,宽温运行稳定、接口兼容度高,是工业显示场景的优质方案。
产品详情
WYM2004A作为罗姆液晶的标准工业款点阵液晶模块,搭载AIP31066驱动芯片,采用SPI/MCU双接口方式,可匹配工控设备、智能家电、通讯设备终端使用。这款液晶显示模块采用COB封装工艺,工作温度覆盖-20℃~70℃,可在工业复杂环境中长期稳定运行。产品隶属于液晶屏模块范畴,厂家直供可提供工业级定制服务,满足智能家电、通讯设备行业的专用显示需求。
规格参数
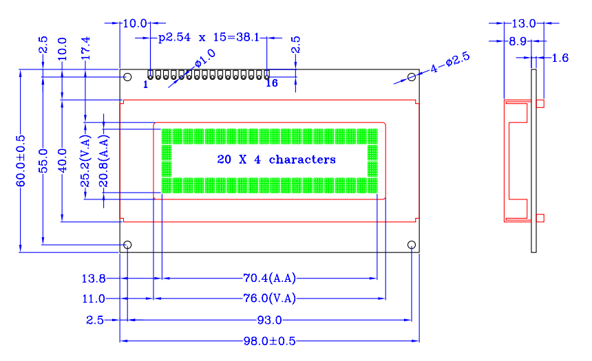
产品型号:WYM2004A
分辨率:20×4
显示模式:YELLOW
驱动芯片:AIP31066
接口方式:SPI/MCU
工艺类型:COB
Pin 数:16
工作温度:-20℃~70℃