
产品概述
lcd液晶屏生产厂家罗姆液晶推出WYM12864L130A户外液晶屏,作为工业串口液晶屏适配工程机械行业专业显示场景,宽温运行、适配性强,由罗姆液晶供应,可稳定匹配工业设备的使用标准。
产品详情
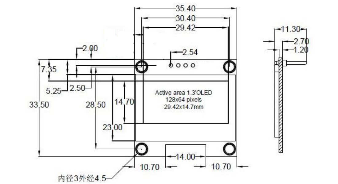
WYM12864L130A为1.3寸OLED显示产品,采用COG+FPC工艺制作,支持6800/8080/SPI/I2C多类型接口,驱动控制器为SH1106G,具备白光/蓝光双显示色彩选择。产品可在-40℃~70℃宽温环境下长期稳定运行,画面清晰无残影、无色彩失真,户外场景适配性优异,能为工程机械行业工业设备提供精准可靠的显示输出。
规格参数
产品型号:WYM12864L130A
屏幕尺寸:1.3 寸
面板类型:OLED
分辨率:128*64
驱动控制器:SH1106G
接口方式:6800/8080/SPI/I2C
亮度:高亮自发光
视角:全视角
工作温度:-40℃~70℃