
产品概述
OLED屏是智能家电行业核心工业显示器件,WYM12864L240A作为搭载oled玻璃的小尺寸工业液晶屏产品,宽温运行、适配性强,由罗姆液晶供应,可稳定匹配工业设备使用标准。
产品详情
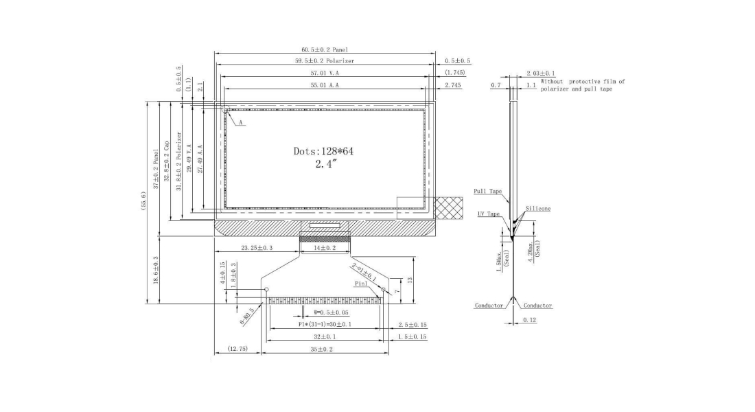
WYM12864L240A为2.4寸OLED显示产品,采用COG+FPC工艺打造,支持6800/8080/SPI/I2C多类型接口,驱动芯片为SSD1305Z,具备白光/蓝光/琥珀色三色显示选择。产品可在-40℃~70℃宽温环境下长期稳定运行,画面清晰无残影、无色彩失真,焊接式连接牢固可靠,能为智能家电行业工业设备提供精准可靠的显示输出。
规格参数
产品型号:WYM12864L240A
屏幕尺寸:2.4 寸
面板类型:OLED
分辨率:128*64
驱动控制器:SSD1305Z
接口方式:6800/8080/SPI/I2C
亮度:高亮自发光
视角:全视角
工作温度:-40℃~70℃